편집부

편집부의 기사 모음

news@e4ds.com

전체기사 3,625건

  • ams, 이미지 센서 업체 CMOSIS인수

    고성능 아날로그 IC 및 센서 전문기업인ams는 고성능 이미징 애플리케이션용 첨단 분야 및 라인스캔 CMOS 이미지 센서 전문 업체인 시모시스(CMOSIS)의 100% 주식을 현금거래로 모두 인수한다는 합의서를 체결했다고 발표했다.

    2015.11.24by 편집부

  • 리니어, 0.04% 정밀도 자랑하는 고전압 자동차 배터리 스택 모니터 출시

    리니어 테크놀로지 코리아(대표 홍사곽)는 기존 LTC6804를 대체할 수 있는 드롭인(drop-in) 방식의 고전압 배터리 스택 모니터(제품명; LTC6811) 신제품을 출시했다고 밝혔다.

    2015.11.23by 편집부

  • TI 코리아, 2015 TIIC 성료...MCU 디자인 콘테스트 시상식 열어

    ?TI 코리아(대표이사 켄트 전)는 지난 20일(금) 제 6회 ‘Texas Instruments Innovation Challenge(이하 TIIC): Korean MCU Design Contest 2015’ 최종 심사 및 시상식을 개최했다.

    2015.11.23by 편집부

  • LG전자, 기존 베젤 절반 수준 1.8mm 사이니지 출시

    LG전자는 세계에서 가장 얇은 베젤을 적용해 몰입감을 극대화한 사이니지(모델명: VH7B)를 출시했다. 기존 사이니지의 테두리(베젤) 두께는 3.5mm 이상이지만 이 제품은 절반 수준인 1.8mm에 불과하다. 신제품 사이니지는 상하좌우 모두 0.9mm의 균일한 두께로 ..

    2015.11.23by 편집부

  • 5G 구축 위해 한중일 대표 통신사가 뭉쳤다!

    KT는 황창규 회장이 아시아 최대 규모의 통신 사업자간 전략적 협의체인 ‘SCFA(Strategic Cooperation Framework Agreement, 이하 SCFA)’에서 차이나모바일과 NTT도코모 대표를 만나 5G 협력 등을 논의했다고 20일 밝혔다.

    2015.11.20by 편집부

  • “로봇이 인더스트리 4.0 역할 톡톡히 할 것”

    쿠카 로보틱스 코리아㈜는 오는 26일 서울 삼성동 코엑스에서 시작되는 ‘2015 창조경제박람회’에 인더스트리 4.0을 염두에 두고 개발된 자사의 지능형 산업용 로봇 『LBR iiwa(엘비알 이바)』를 출품한다고 19일 밝혔다.

    2015.11.19by 편집부

  • 정유 업계 살리는 스마트 공장 기술

    지난해 인벤시스를 인수해 공정 자동화 및 소프트웨어 역량을 한층 강화한 슈나이더 일렉트릭도 새로운 도전에 직면한 정유, 석유화학 업계 고객을 위한 소프트웨어를 소개하고, 수익 극대화를 통한 새로운 성장 비전을 제시했다.

    2015.11.16by 편집부

  • NXP, 파나소닉 ‘자동차 산업' 발전에 기여

    NXP 반도체는 파나소닉 주식회사로부터 ‘베스트 파트너상’ 상을 수상하였다. 파나소닉은 자동차 정보 사업 발전 및 성장에 NXP의 서비스와 혁신이 기여한 공을 인정하여 해외 반도체 공급사 중 최초로 ‘베스트 파트너’ 상을 수여하였다.

    2015.11.16by 편집부

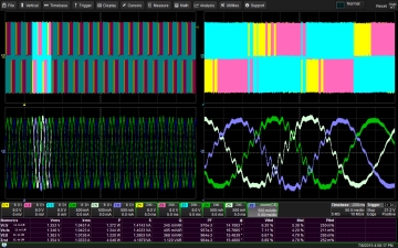
  • 모터드라이브 분석기의 하모닉(Harmonics Calculation) 옵션 출시

    2015년 11월 13일, 텔레다인르크로이는 모터드라이브 분석기 MDA800 시리즈의 하모닉(Harmonics Calculation) 옵션을 발표했다. 해당 옵션 소프트웨어는 패키지는 AC인풋과 드라이브 아웃풋 숫자 테이블 측정을 위한 고급 하모닉필터링, 전압, 전류,..

    2015.11.13by 편집부

인터넷신문위원회

[열린보도원칙] 당 매체는 독자와 취재원 등 뉴스이용자의 권리 보장을 위해 반론이나 정정보도, 추후보도를 요청할 수 있는 창구를 열어두고 있음을 알려드립니다.

고충처리인 장은성 070-4699-5321 , news@e4ds.com

Top