2026 Physical AI Conference

이수민 기자의 기사 모음

전체기사 2,821건

  • 서비스 분야 기업부설연구소 설립 가능 업종 확대

    과학기술정보통신부와 한국산업기술진흥협회는 민간 R&D 활성화 및 기업부설연구소 관련 규제 개선을 위한 기초연구진흥 및 기술개발지원에 관한 법률 시행령 및 시행규칙을 개정·공포했다. 이번 기초연구법령 개정에 따라 오픈형 부동산 플랫폼 같은 부동산업, 배달앱 서비스나 무인..

    2020.03.03by 이수민 기자

  • 5G MEC 상용화 및 연동 추진하는 글로벌 TF 가동

    SK텔레콤을 포함한 9개 글로벌 통신사가 5G MEC 상용화를 목표로 한 텔레콤 에지 클라우드 TF를 발족했다. 텔레콤 에지 클라우드 TF는 각 통신사가 별도로 구축하고 있는 에지 클라우드 간 상호 연동을 통해 5G MEC 기술의 글로벌 상용화를 목표로 한다. 이를 위..

    2020.03.02by 이수민 기자

  • "불가능을 가능으로" 과학난제해결 연구사업 추진

    과기정통부가 과학난제 도전 융합연구개발사업을 추진한다고 밝혔다. 과학난제사업은 도전해야 할 난제 발굴, 난제 해결을 위한 접근방법을 구체화한 과제 기획과정을 연구자 커뮤니티에 상시적으로 개방하고, 기초과학자와 공학자가 융합된 연구팀의 구성도 공개세미나 등을 거쳐 이루어..

    2020.03.01by 이수민 기자

  • STM32MP1 MPU 제품군, 800MHz로 클럭 속도 높여

    ST마이크로일렉트로닉스는 800MHz로 클럭 속도를 높인 신규 STM32MP1 MPU를 선보였다. 새로운 제품은 800MHz에서 듀얼 Arm Cortex-A7 애플리케이션 프로세서 코어와 209MHz에서 Cortex-M4 코어를 실행한다. 이를 통해 음성 및 오디오 프..

    2020.02.28by 이수민 기자

  • 로옴, 솔루션 회로 검증 웹 시뮬레이션 툴 공개

    로옴이 SiC 전력 디바이스 및 구동·전원 IC 등을 솔루션 회로상에서 일괄적으로 검증할 수 있는 웹 시뮬레이션 툴인 로옴 솔루션 시뮬레이터를 개발했다. 이 시뮬레이터는 멘토 지멘스 비즈니스의 시스템비전 클라우드를 기반으로 개발됐다. SVC 계정을 보유한 이용자는 로옴..

    2020.02.28by 이수민 기자

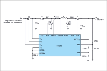
  • 패스쓰루 모드로 동작하는 벅부스트 컨트롤러로 "스위칭 잡음 없는" DC/DC 컨버터 구현하기

    DC/DC 컨버터는 일반적으로 입력 전압이 출력보다 높거나, 낮거나, 또는 같을 때 조절된 전압을 발생시켜야 한다. 즉, 컨버터는 스텝업과 스텝다운 기능을 모두 수행해야 한다. 패스쓰루 모드로 동작할 수 있는 동기식 벅부스트 컨트롤러인 LT8210은 EMI와 스위칭 손..

    2020.02.28by 이수민 기자

  • ​키사이트, 5G 매시브 MIMO 설계 검증 솔루션 발표

    키사이트가 mmWave 스펙트럼, 빔포밍 기술 및 다중 안테나 구성에서 광대역폭을 지원하는 5G NR 디바이스 성능을 검증할 수 있는 PROPSIM FS16 채널 에뮬레이션 솔루션을 출시했다. PROPSIM FS16은 5G 무선 장비 제조업체들이 초고속 페이딩 기능 요..

    2020.02.28by 이수민 기자

  • 여전히 IT 인프라 취약한 병원 내 시설 3곳, 보완법은?

    병원과 의료기관들은 그동안 전자건강기록의 도입 및 확산, 그리고 활용을 뒷받침할 IT 인프라 구축에 힘써왔다. 하지만 아직 간과되고 있는 병원 IT 네트워크들이 남아 있다. 버티브는 IT 인프라 투자를 늘리면 효과를 거둘 수 있는 병원 내 시설 3가지를 꼽고 그에 따른..

    2020.02.28by 이수민 기자

  • SKT 5G RF 중계기, 유럽 빌딩·아파트 內 설치된다

    도이치텔레콤이 SK텔레콤의 5G RF 중계기를 올해 2분기 중 독일 주요 도시에 구축하고, 고객 체험 서비스를 개시한다. SK텔레콤과 도이치텔레콤은 올해 1월, 5G RF 중계기를 독일과 유럽 5G 환경에 맞게 업그레이드했다. 양사는 향후 고객 피드백과 데이터를 분석해..

    2020.02.27by 이수민 기자

많이 본 뉴스

인터넷신문위원회

[열린보도원칙] 당 매체는 독자와 취재원 등 뉴스이용자의 권리 보장을 위해 반론이나 정정보도, 추후보도를 요청할 수 있는 창구를 열어두고 있음을 알려드립니다.

고충처리인 장은성 070-4699-5321 , news@e4ds.com

Top