적정 출력 전압의 동적 조절 방법에 대해 아나로그디바이스(Analog Devices, Inc.)의 프레데릭 도스탈(Frederik Dostal) FAE에게 들어보자.
2022.12.06by 편집부
V2G(vehicle-to-grid)를 구현하는데 필수적인 반도체 기술에 대해 TI의 엔지니어에게 들어보자.
2022.12.05by 편집부
MCU는 CPU나 GPU와 다르게 낯설지만, 가장 많이 사용되는 반도체 중 하나다. ST 시스템 솔루션 랩의 유지 카와노 매니저에게 MCU의 활용성과 가능성이 얼마나 큰지 들어보자.
2022.11.29by 편집부
와이드 밴드갭 디바이스의 신뢰성 검증을 위한 전문적 기술에 대해 인피니언 테크놀로지스의 Peter Friedrichs, Vice President SiC와 Tim McDonald, Senior Director(Consulting Advisor to the CoolGaN..
2022.11.25by 편집부
소프트웨어 정의 무선(SDR)를 이용한 무선 통신 설계에 대해 마우저 일렉트로닉스(Mouser Electronics)의 마크 패트릭(Mark Patrick)에게 들어보자
2022.11.17by 편집부
전용 보안 IC를 이용한 IoT 보안의 이점에 대해 ADI의 전문가들이 이야기 한다.
2022.11.17by 편집부
MCU는 CPU나 GPU와 다르게 낯설지만, 가장 많이 사용되는 반도체 중 하나다. ST 시스템 솔루션 랩의 유지 카와노 매니저에게 MCU의 활용성과 가능성이 얼마나 큰지 들어보자.
2022.11.14by 편집부
MCU는 CPU나 GPU와 다르게 낯설지만, 가장 많이 사용되는 반도체 중 하나다. ST 시스템 솔루션 랩의 유지 카와노 매니저에게 MCU의 활용성과 가능성이 얼마나 큰지 들어보자.
2022.11.02by 편집부
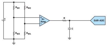
아날로그 센서 출력 신호를 디지털 신호로 변환하기 위한 설계에서 전력소모를 줄이고, 효율적인 설계에 대해 ADI의 토마스 브랜드에게 들어보는 자리를 마련했다.
2022.10.21by 편집부
[열린보도원칙] 당 매체는 독자와 취재원 등 뉴스이용자의 권리 보장을 위해 반론이나 정정보도, 추후보도를 요청할 수 있는 창구를 열어두고 있음을 알려드립니다.
고충처리인 장은성 070-4699-5321 , news@e4ds.com