인피니언 Dec

이수민 기자의 기사 모음

전체기사 2,821건

  • 어플라이드 머티어리얼즈, 차세대 메모리 3종 'M램, Re램, PC램' 양산 솔루션 출시

    AI, 빅 데이터 시대를 맞아 메모리 분야는 나노미터보다 정밀한 옹스트롬 단위의 혁신이 요구되며 다음과 같은 과제를 해결해야 한다. 먼저 AI에 필요한 방대한 양의 데이터를 효율적으로 수집, 처리, 저장, 분석하는 방법을 찾아야 한다. 그리고 IoT를 구성하는 수백억 ..

    2019.09.09by 이수민 기자

  • AI/ML/DL이 반도체 설계와 EDA 툴에 미치는 영향력

    멘토, 지멘스 비즈니스가 연례 EDA 행사인 멘토 포럼 2019를 개최했다. 포럼을 위해 방한한 조셉 사위키 멘토 IC EDA 부문 수석 부사장은 기조연설에서 AI 기반 도메인 특화 아키텍처 제품의 개발이 증가하면서 반도체 설계 산업이 지속 성장할 것으로 전망했다. M..

    2019.09.09by 이수민 기자

  • 바이두, '인텔 옵테인 DC 퍼시스턴트 메모리'에 기반을 둔 인메모리 데이터베이스 설계

    처리해야 할 데이터가 폭발적으로 증가하면서 바이두와 같은 인터넷 서비스 제공 기업들은 빠르고 효율적인 데이터 액세스 및 저장을 실현해야만 한다. 인텔과 바이두는 인텔 옵테인 DC 퍼시스턴트 메모리의 대용량 고성능 기능을 활용하기 위해 바이두 피드 스트림 서비스의 인메모..

    2019.09.09by 이수민 기자

  • 몽고DB, 한국 첫 기술 컨퍼런스 개최하고 사례 공유

    몽고DB가 몽고DB.로컬 서울 2019 기술 컨퍼런스를 개최하고 몽고DB 플랫폼을 이용한 앱 개발 노하우, 사용자 경험 등 다양한 주제를 논의했다. 기업의 개발자 교육 및 참여 독려를 위해 기획된 이번 행사에서는 몽고DB 플랫폼을 이용한 앱 개발 및 성능 관리, 데이터..

    2019.09.09by 이수민 기자

  • 한국 제시한 ITU-T 보안 표준 4건 사전 채택돼

    ITU-T SG17 국제회의에서 한국 주도로 개발한 지능형 자동차 보안, 양자암호통신, 스마트그리드 권고안 4건이 국제표준으로 사전 채택되었다. 첫 번째 권고안인 ‘V2X 통신 환경 보안 가이드라인(X.1372)’ 국제표준은 자율주행차량 서비스에 가장 기본이 되는 차량..

    2019.09.09by 이수민 기자

  • 화웨이, 삼성·퀄컴보다 작은 5G 스마트폰 SoC 공개

    화웨이가 IFA 2019에서 새로운 기린 SoC로 기린 990과 기린 990 5G를 공개했다. 특히 기린 990 5G는 5G 모뎀을 통합해 크기와 전력 소비를 줄였으며, 5G NSA와 SA를 지원한다. TDD와 FDD( 전체 주파수 대역을 모두 지원하는건 물론, 최고 ..

    2019.09.08by 이수민 기자

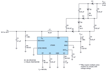
  • 통신을 위한 고전압 부스트 및 인버팅 컨버터 활용법

    일상 곳곳에 전자통신 분야가 빠르게 확산되고 있다. 데이터의 감지와 송수신은 광센서, RF MEMS, PIN 다이오드, APD, 레이저 다이오드, 고전압 DAC 등 다양한 종류의 디바이스를 필요로 한다. 이러한 디바이스는 동작할 때 대개 수백 볼트를 필요로 한다. 따라..

    2019.09.08by 이수민 기자

  • "소리로 범인 잡는다" ETRI, 스마트 음장센서 개발

    ETRI가 시큐웍스와 함께 음장의 변화를 기반으로 눈뿐만 아니라 귀까지 동원해 침입이나 움직임은 물론 화재까지 감지하는 스마트 안전센서를 개발했다. 음장센서는 스피커로 소리를 발생시켜 일정 공간에 형성된 음장변화를 분석해 작동한다. 사람이 움직이거나 온도가 변화하면 음..

    2019.09.07by 이수민 기자

  • 온세미컨덕터, IEEE 802.3bt 준수하는 PoE 인터페이스 컨트롤러 2종 선봬

    PoE에 대한 IEEE 802.3bt 표준은 보다 거대한 네트워크에 연결된 정교한 디바이스를 사용케 함으로써 IoT 시장을 변화시킬 가능성을 갖고 있다. 온세미컨덕터는 이에 IEEE 802.3bt 표준을 지원하는 인터페이스 컨트롤러 NCP1095, NCP1096를 출시..

    2019.09.07by 이수민 기자

많이 본 뉴스

인터넷신문위원회

[열린보도원칙] 당 매체는 독자와 취재원 등 뉴스이용자의 권리 보장을 위해 반론이나 정정보도, 추후보도를 요청할 수 있는 창구를 열어두고 있음을 알려드립니다.

고충처리인 장은성 070-4699-5321 , news@e4ds.com

Top