고령운전자 사고 급증에 대한 정부의 종합 대책과 관련해 김필수 대림대 교수의 이야기를 들어봤다.
2025.05.19by 편집부
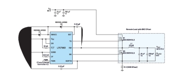
LT3074과 같은 새로운 디지털 LDO를 사용하면, 모든 기능이 하나의 IC로 통합할 수 있는 것처럼, 디지털 인터페이스를 지원하는 새로운 방식의 선형 레귤레이터에 대해 아나로그 디바이스(ADI)의 프레데릭 도스탈이 이야기한다.
2025.05.13by 편집부
과학기술정보통신부 국가과학기술연구회 산하 정부출연연구기관인 한국전기연구원(KERI)이 2025년 5월1일(목)부로 일부 보직자 인사를 다음과 같이 실시한다. ▷적합성운영본부장 김근용 ▷감사부장 강석률 ▷사업운영실장 장우영 ▷운영지원실장(광주) 김대웅
2025.04.29by 편집부
3.5톤·5톤 등 중형 전기트럭의 보조금 지급과 관련해 김필수 대림대 교수의 이야기를 들어봤다.
2025.04.28by 편집부
ESG 실천을 위한 공회전제한장치 부착과 관련해 정부 및 지자체의 보조금 등이 필요하다는 김필수 대림대 교수의 이야기를 들어봤다.
2025.04.21by 편집부
블루투스의 채널 사운딩 기술과 관련해 개발자들이 노르딕 세미컨덕터(Nordic Semiconductor)의 SoC 및 개발 툴을 이용해 새로운 거리 측정 애플리케이션을 어떻게 구현할 수 있는지 하병우 노르딕 세미컨덕터(Nordic Semiconductor) 지사장이 이..
2025.04.21by 편집부
초기 전기차 화재 발생시 열 감지보다 연기 감지가 초기에 일어나는 것과 관련 전기차 화재 대응에 대해 김필수 대림대 교수의 이야기를 들어봤다.
2025.04.14by 편집부
부동 접지 비절연 하프 브리지 게이트 드라이버를 중심으로 살펴본 게이트 드라이버 IC 선택 시 고려 사항에 대해 아나로그디바이스(Analog Devices Inc., ADI)의 스리케시 풀루리(Srikesh Pulluri) 제품 애플리케이션 엔지니어에게 들어봤다.
2025.04.07by 편집부
[열린보도원칙] 당 매체는 독자와 취재원 등 뉴스이용자의 권리 보장을 위해 반론이나 정정보도, 추후보도를 요청할 수 있는 창구를 열어두고 있음을 알려드립니다.
고충처리인 장은성 070-4699-5321 , news@e4ds.com