DC/DC 컨버터는 일반적으로 입력 전압이 출력보다 높거나, 낮거나, 또는 같을 때 조절된 전압을 발생시켜야 한다. 즉, 컨버터는 스텝업과 스텝다운 기능을 모두 수행해야 한다. 패스쓰루 모드로 동작할 수 있는 동기식 벅부스트 컨트롤러인 LT8210은 EMI와 스위칭 손실을 없애고 효율을 최대 99.9%까지 극대화한다.
DC/DC 컨버터, 스텝업·스텝다운 모두 수행해야
패스쓰루 모드 동작하는 ADI LT8210 컨트롤러
EMI 및 스위칭 손실 없애고 효율 최대 99.9%
DC/DC 컨버터는 일반적으로 입력 전압이 출력보다 높거나, 낮거나, 또는 같을 때 조절된 전압을 발생시켜야 한다. 즉, 컨버터는 스텝업과 스텝다운 기능을 모두 수행해야 한다.
이러한 상황은 공칭 12V 배터리에서 자동차 전자장치에 전력을 공급할 때 일반적이며, 이 경우 3V까지 내려갈 수 있는 엔진 콜드 크랭크나 100V에 이르는 로드 덤프 또는 조작자 실수로 인한 역 배터리 전압까지 다양하다.
SEPIC에서 4 스위치 토폴로지까지 스텝업과 스텝다운 동작을 모두 수행할 수 있는 여러 DC/DC 컨버터 토폴로지가 있지만, 현재까지 이들 솔루션 중 어느 것도 능동적인 스위칭 없이 입력을 출력으로 직접 전달하지 못한다.
패스쓰루(Pass-Thru™) 모드로 동작할 수 있는 동기식 벅부스트 컨트롤러인 LT8210은 EMI와 스위칭 손실을 없애고 효율을 최대 99.9%까지 극대화한다. 패스쓰루 동작은 입력 전압이 사용자가 프로그래밍할 수 있는 범위 내에 있을 때 입력을 출력으로 직접 전달한다.
LT8210은 2.8V ~ 100V의 입력 전압 범위에서 동작하므로 콜드 크랭크 시의 최소 입력 전압에서부터 억제되지 않은 로드 덤프의 피크 진폭에 이르기까지 조절할 수 있다.
기존 벅부스트 컨트롤러로서 핀 선택 가능한 연속 전도 모드(CCM), 펄스 스키핑 또는 버스트 모드(Burst Mode®) 동작으로, 또는 출력 전압이 프로그래밍된 범위로 조절되는 새로운 패스쓰루 모드로 동작할 수 있다.
입력 전압이 이러한 범위에 있을 때 FET를 능동적으로 스위칭하지 않아도 입력 전압이 출력으로 직접 전달되어 낮은 I
Q 동작이 가능하고 스위칭 잡음이 없다
패스쓰루 동작 모드
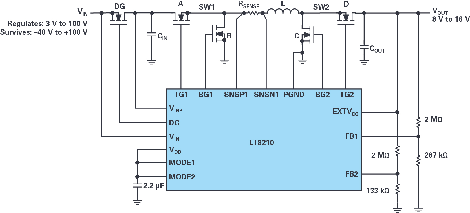
▲[그림 1] LT8210 8V ~ 16V 패스쓰루 레귤레이터 회로
그림 1은 출력이 8V ~ 16V 사이로 조절되는 패스쓰루 동작을 위해 구성된 LT8210의 간략한 회로도다. 패스쓰루 범위의 가장 높은 전압과 낮은 전압은 각각 FB2 및 FB1 저항 분배기에 의해 설정된다.
▲[그림 2] 패스쓰루 동작은 패스쓰루 입력 전압 범위에서
99.9% 효율을 달성할 수 있다
그림 2는 이 회로의 입출력 전달 특성을 보여준다. 입력 전압이 패스쓰루 범위보다 높으면, LT8210은 입력 전압을 조절된 16V 출력으로 스텝다운한다.
입력 전압이 범위 아래로 떨어지면 LT8210은 부스트 하여 8V로 출력을 유지한다.
입력 전압이 패스쓰루 범위 내에 있을 때 상단 스위치 A와 D가 연속적으로 켜져 출력이 입력을 추적하고 부품은 저전력 상태에 들어간다.
저전력 상태에서 V
IN 및 V
INP 핀의 일반적인 무부하 전류는 각각 4µA 및 18µA이다.
이처럼 스위칭이 없는 상태에서는 EMI나 스위칭 손실이 없으므로 99.9% 이상 효율을 달성할 수 있다.
▲[그림 3] 패스쓰루 모드의 LT8210은
80V의 억제되지 않은 로드 덤프 펄스에 반응하여
출력을 프로그래밍된 최대 16V로 제한한다
▲[그림 4] 패스쓰루 모드의 LT8210은
콜드 크랭크 펄스(<4V)에 프로그래밍된
8V 최소 출력 전압으로 부스트하여 반응한다
▲[그림 5] 패스쓰루 영역에서 효율은
연속 전도 모드 효율과 달리 거의 100%에 도달한다
자동차 배터리 및 유사한 넓은 전압 범위의 전원 소스는 보호 기능과 함께 높은 효율의 벅과 부스트 변환이 필요하므로 DC-DC 컨버터 설계자에게 복잡한 문제이다.
LT8210 동기식 벅부스트 컨트롤러는 보호 기능과 넓은 입력 범위의 벅부스트 컨버터 및 고유의 패스쓰루 옵션을 결합함으로써 복잡성을 제거했다.
▲[그림 6] LT8210은 패스쓰루 영역에서
매우 낮은 무부하 전류를 갖는다
LT8210은 2.8V ~ 100V 동작 범위에서 동작하며 역전압 보호 기능을 내장한다. 디바이스의 패스쓰루 모드는 스위칭 손실과 잡음을 제거하면서 매우 낮은 무부하 전류를 달성한다.
패스쓰루 모드에서 출력 전압은 전통적인 의미에서 조절되는 대신 프로그래밍 가능한 전압 범위에 있도록 조절된다.
이 기사는 아나로그디바이스의 데이비드 메고우(David Megaw) 수석 디자인 엔지니어와 브루스 호그(Bruce Haug) 제품 마케팅 엔지니어의 '스위칭 잡음 없는 패스쓰루 기능 제공하는 4 스위치 벅부스트 컨트롤러(4 Switch Buck-Boost Controller with Pass-Thru Capability Eliminates Switching Noise)’라는 제목의 글을 정리한 것입니다.